产品架构

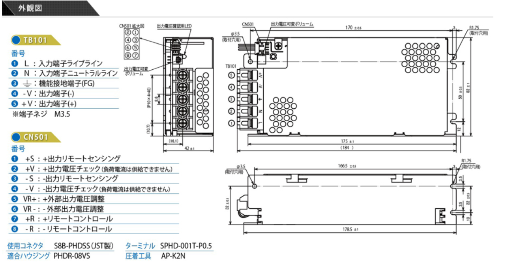
TB101 L:输入端子N:输入端子中间线:机能接地端子(FG)-V:-输出端子+V:+输出端子 CN501+S:+输出遥感 +V:+输出电压检查(不供给负荷电流)-S:-输出遥感-V:-输出电压检查(不供给负荷电流)VR+:+外部输出电压VR-:-外部输出电压+R:+遥控-R:-遥控。
产品功能
滤波器
输入电网滤波器:消除干扰,防止噪声向电网扩散。输入整流滤波器:将电网输入电压进行整流滤波,为变换器提供直流电压。
电压转化
变换器:直流电压变成交流电压,将输出与输入隔离。输出整流滤波器:变换器输出的高频交流电压整流滤波得到直流电压。
控制保护电路
控制电路:控制变换器以保持输出电压的稳定。保护电路:保护电路使开关电源停止工作以保护负载和电源本身。
产品优势
小型,轻量
与传统的线性电源相比,30%的尺寸和20%的重量。
效率高
传统线性电源50%,RFS系列可实现80%高效率。
低噪声
输出纹波噪音,进行发射,辐射发射,共模噪声。
对应方式
标准品对应的同时也可以满足部分定制需求。
应用场景


在线咨询
客服热线
关注我们
回到顶部